TaeguTec Cutting Tools - Metal Working Tools - Turning - - SNMG-MLP.
× Login Information
Turning
Main Application
  
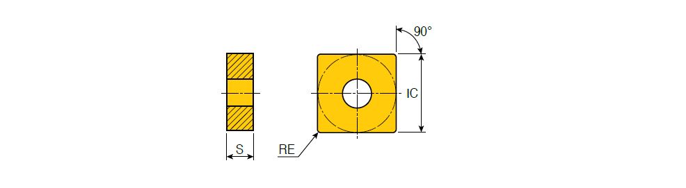
SNMG-MLP. : Negative Square inserts for medium machining of steels with reliable cutting edge and wide range of chip control
 
 
  DesignationIC S RE l1 CBMD alpha AN ap
(min)
ap
(max)
ft
(min)
ft
(max)
CEDC Precise Utility l SC ClssID COATP SSC  GRDMFG IFS IIC INSI INST ISO STD GICATGIREMgiicGICODETough ‹————› Hard
Grade & Vc     Click on grade for cutting speed value
  SNMG 120404 MLP 12.704.760.4012.70~MLP ~90~0.00~0.253.500.100.308~ ~U ~12.70~S ~71DD68D829217 ~CVD ~12 ~8115B ~0~ ~ ~ ~Y ~6271449 2 TT5100 TT8115B 
  SNMG 120408 MLP 12.704.760.8012.70~MLP ~90~0.00~0.503.500.100.408~ ~U ~12.70~S ~71DD68D829217 ~CVD ~12 ~8115B ~0~ ~ ~ ~Y ~6271448 2 TT5100 TT8115B 
  SNMG 120412 MLP 12.704.761.2012.70~MLP ~90~0.00~0.603.500.150.508~ ~U ~12.70~S ~71DD68D829217 ~CVD ~12 ~8115B ~0~ ~ ~ ~Y ~6270912 3 TT5100 TT8125B TT8115B 


Site Map

Turning  Parting & Grooving  Thread Making  Hole Making  Reaming  Milling & Solid End mills  Tooling System  Boring System 

Any use of the Taegutec E-catalogue and any transactions which may be performed as a result of using this program are subject to Terms of Use and Legal Disclaimer   Privacy Statement
© 2026 TaeguTec LTD. Manufacturer of Metalworking Tools (TaeguTec.com) All Rights Reserved