TaeguTec Cutting Tools - Metal Working Tools - Turning - - SNMG-FLP.
× Login Information
Turning
Main Application
  
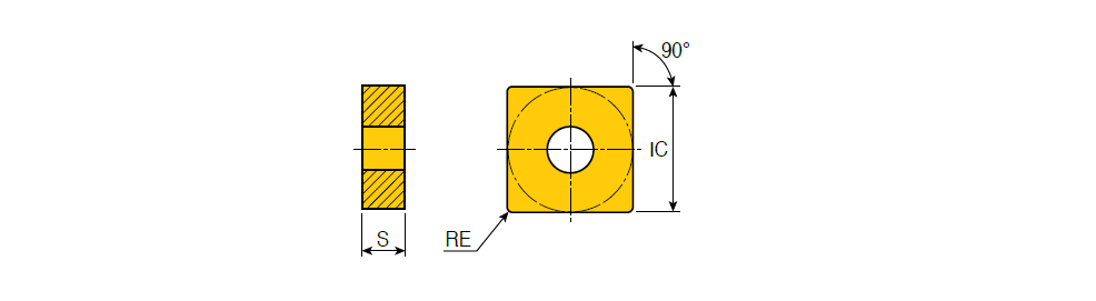
SNMG-FLP. : Negative Square inserts for finishing of steels with reliable cutting edge and wide range of chip control
 
 
  DesignationIC S RE l1 CBMD alpha AN ap
(min)
ap
(max)
ft
(min)
ft
(max)
CEDC Precise Utility l SC ClssID COATP SSC  GRDMFG IFS IIC INSI INST ISO STD GICATGIREMgiicGICODETough ‹————› Hard
Grade & Vc     Click on grade for cutting speed value
  SNMG 120404 FLP 12.704.760.4012.70~FLP ~90~0.00~0.202.000.080.308~ ~U ~0.00~S ~71DD68D829217 ~CVD ~12 ~8115B ~0~ ~ ~ ~Y ~6272718 3 TT5100 TT8125B TT8115B 
  SNMG 120408 FLP 12.704.760.8012.70~FLP ~90~0.00~0.302.000.100.308~ ~U ~0.00~S ~71DD68D829217 ~CVD ~12 ~8115B ~0~ ~ ~ ~Y ~6271795 3 TT5100 TT8125B TT8115B 


Site Map

Turning  Parting & Grooving  Thread Making  Hole Making  Reaming  Milling & Solid End mills  Tooling System  Boring System 

Any use of the Taegutec E-catalogue and any transactions which may be performed as a result of using this program are subject to Terms of Use and Legal Disclaimer   Privacy Statement
© 2026 TaeguTec LTD. Manufacturer of Metalworking Tools (TaeguTec.com) All Rights Reserved