TaeguTec Cutting Tools - Metal Working Tools - Turning - - SNMM-HT
× Login Information
Turning
Main Application
  
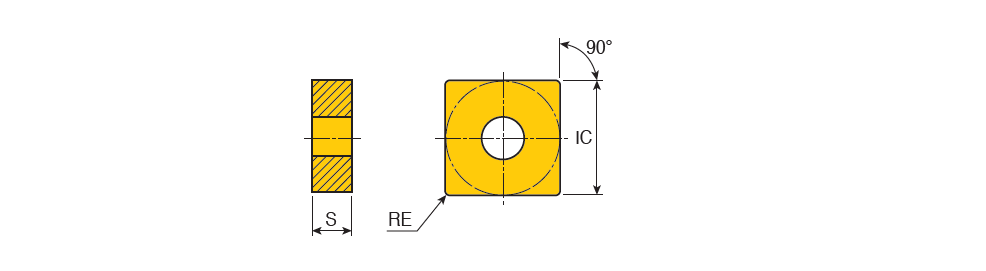
SNMM-HT : Negative Single-sided Square inserts for heavy roughing with low cutting force & excellent chip control
 
 
  DesignationIC S RE l CBMD alpha AN ap
(min)
ap
(max)
ft
(min)
ft
(max)
CEDC Precise Utility SC ClssID COATP GRDMFG IFS IIC INSI INST ISO STD SSC  GICATGIREMgiicGICODETough ‹————› Hard
Grade & Vc     Click on grade for cutting speed value
  SNMM 190612 HT 19.056.351.2019.05~HT ~90~0.00~4.009.000.350.904~ ~U ~S ~71DD68D829217 ~CVD ~TT5100~2~ISO$SN1906122NB$$12 ~643 HT ~SNMM ~Y ~19 ~5518088 2 TT7100 TT5100 
  SNMM 190616 HT 19.056.351.6017.40~HT ~90~0.00~4.009.0045.001.004~ ~U ~S ~71DD68D829217 ~CVD ~8115B ~2~ISO$SN1906162NB$$16 ~644 HT ~SNMM ~Y ~19 ~6212376 2 TT8125B TT8115B 
  SNMM 250724 HT 25.407.942.4023.00~HT ~90~0.00~5.0012.000.551.304~ ~U ~S ~71DD68D829217 ~CVD ~8115B ~2~ISO$SN2507242NB$$24 ~856 HT ~SNMM ~Y ~ ~6234841 5 TT7100 TT9225 TT5100 TT8125B TT8115B 
  SNMM 250924 HT 25.409.522.4023.00~HT ~90~0.00~5.0012.000.551.304~ ~U ~S ~71DD68D829217 ~CVD ~8115B ~2~ISO$SN2509242NB$$24 ~866 HT ~SNMM ~Y ~25 ~6214022 3 TT7100 TT8135B TT8115B 


Site Map

Turning  Parting & Grooving  Thread Making  Hole Making  Reaming  Milling & Solid End mills  Tooling System  Boring System 

Any use of the Taegutec E-catalogue and any transactions which may be performed as a result of using this program are subject to Terms of Use and Legal Disclaimer   Privacy Statement
© 2026 TaeguTec LTD. Manufacturer of Metalworking Tools (TaeguTec.com) All Rights Reserved