TaeguTec Cutting Tools - Metal Working Tools - Turning - - HNGX-CERAMIC
× Login Information
Turning
Main Application
  
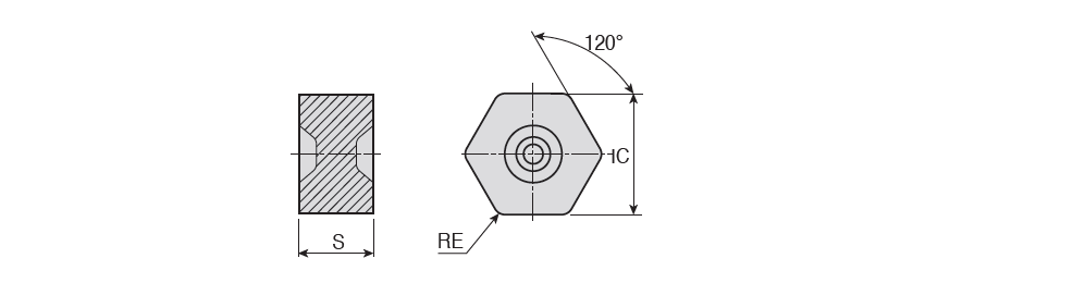
HNGX-CERAMIC : Negative 120° Hexagonal ground Ceramic Dimple inserts for cast iron roughing
 
 
  DesignationIC S RE l alpha AN ap
(min)
ap
(max)
ft
(min)
ft
(max)
CEDC Precise Utility SC ClssID COATP GRDMFG IFS IIC INSI INST ISO STD SSC  GICATGIREMgiicGICODEGrade & Vc     Click on grade for cutting speed value
  HNGX 050712 CH 12.707.941.206.60~120~0.00~0.050.250.100.2012~P ~ ~H ~71DDA089C8D1E ~Ceramic ~AS10 ~2~ISO$HN0507122NA$$12 ~453 CH ~HNGX ~Y ~5 ~5702931 1 AS10 
  HNGX 050712 T7-CH 12.707.941.206.60~120~0.00~0.050.250.100.2012~P ~ ~H ~71DDA089C8D1E ~Ceramic ~AS500 ~2~ISO$HN0507122NA$$12 ~453 T7 ~HNGX ~Y ~5 ~5703243 1 AS500 
  HNGX 050716 CH 12.707.941.606.40~120~0.00~0.050.300.100.2012~P ~ ~H ~71DDA089C8D1E ~Ceramic ~AS10 ~2~ISO$HN0507162NA$$16 ~454 CH ~HNGX ~Y ~5 ~5702795 1 AS10 
T7: Land 0.20 x 20°
CH : Dimple type


Site Map

Turning  Parting & Grooving  Thread Making  Hole Making  Reaming  Milling & Solid End mills  Tooling System  Boring System 

Any use of the Taegutec E-catalogue and any transactions which may be performed as a result of using this program are subject to Terms of Use and Legal Disclaimer   Privacy Statement
© 2026 TaeguTec LTD. Manufacturer of Metalworking Tools (TaeguTec.com) All Rights Reserved