TaeguTec Cutting Tools - Metal Working Tools - Turning - - SCGT-FL
× Login Information
Turning
Main Application
  
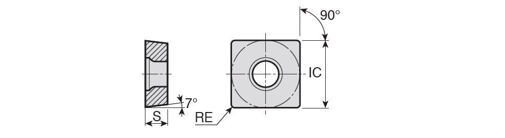
SCGT-FL : Positive periphery ground & top polished Square inserts with very high positive rake & sharp cutting edges for aluminum machining
 
 
  DesignationIC S RE l alpha AN ap
(min)
ap
(max)
ft
(min)
ft
(max)
CEDC Precise Utility SC ClssID CBMD COATP GRDMFG IFS IIC INSI INST ISO STD SSC  GICATGIREMgiicGICODEGrade & Vc     Click on grade for cutting speed value
  SCGT 09T308 FL 9.523.970.809.52~90~7.00~0.503.000.100.304~P ~ ~S ~71DD68D829217 ~FL ~Uncoated ~K10 ~3~ISO$SC09T3083NB$$08 ~32.52 ~SCGT ~Y ~9 ~5514078 1 K10 
  SCGT 120402 FL 12.704.760.2012.70~90~7.00~0.503.000.100.304~P ~ ~S ~71DD68D829217 ~FL ~Uncoated ~K10 ~3~ISO$SC1204023NB$$02 ~430.5 ~SCGT ~Y ~12 ~5514080 1 K10 
  SCGT 120404 FL 12.704.760.4012.70~90~7.00~0.504.000.100.304~P ~ ~S ~71DD68D829217 ~FL ~Uncoated ~K10 ~3~ISO$SC1204043NB$$04 ~431 FL ~SCGT ~Y ~12 ~5514631 1 K10 
  SCGT 120408 FL 12.704.760.8012.70~90~7.00~1.004.000.100.304~P ~ ~S ~71DD68D829217 ~FL ~Uncoated ~K10 ~3~ISO$SC1204083NB$$08 ~432 FL ~SCGT ~Y ~12 ~5513989 1 K10 


Site Map

Turning  Parting & Grooving  Thread Making  Hole Making  Reaming  Milling & Solid End mills  Tooling System  Boring System 

Any use of the Taegutec E-catalogue and any transactions which may be performed as a result of using this program are subject to Terms of Use and Legal Disclaimer   Privacy Statement
© 2026 TaeguTec LTD. Manufacturer of Metalworking Tools (TaeguTec.com) All Rights Reserved