TaeguTec Cutting Tools - Metal Working Tools - Turning - - SNGA-CERAMIC
× Login Information
Turning
Main Application
  
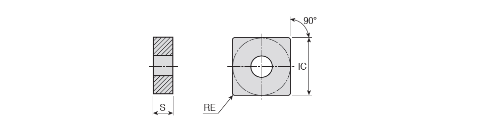
SNGA-CERAMIC : Negative Square ground Ceramic inserts with hole for cast iron and hardened steel machining
 
 
  DesignationIC S RE D1 l alpha AN ap
(min)
ap
(max)
ft
(min)
ft
(max)
CEDC Precise Utility SC ClssID COATP GRDMFG IFS IIC INSI INST ISO STD SSC  GICATGIREMgiicGICODETough ‹————› Hard
Grade & Vc     Click on grade for cutting speed value
  SNGA 120404 12.704.760.405.16~12.70~90~0.00~0.103.000.050.158~P ~ ~S ~71DD68D829217 ~Ceramic ~AB20 ~2~ISO$SN1204042NA$$04 ~431 ~SNGA ~Y ~12 ~5702692 3 AB30 AB20 AB2010 
  SNGA 120408 12.704.760.805.16~12.70~90~0.00~0.103.000.050.208~P ~ ~S ~71DD68D829217 ~Ceramic ~AB20 ~2~ISO$SN1204082NA$$08 ~432 ~SNGA ~Y ~12 ~5702693 3 AB30 AB20 AB2010 
  SNGA 120408 S7 12.704.760.805.16~12.70~90~0.00~0.103.000.050.208~P ~ ~S ~71DD68D829217 ~Ceramic+PVD ~AB2010~2~ISO$SN1204082NA$$08 ~432 S7 ~SNGA ~Y ~12 ~5702950 1 AB2010 
  SNGA 120412 12.704.761.205.16~12.70~90~0.00~0.103.000.050.258~P ~ ~S ~71DD68D829217 ~Ceramic ~AB20 ~2~ISO$SN1204122NA$$12 ~433 ~SNGA ~Y ~12 ~5702694 4 AS10 AB30 AB20 AB2010 
  SNGA 120416 12.704.761.605.16~12.70~90~0.00~0.103.000.050.308~P ~ ~S ~71DD68D829217 ~Ceramic ~AS10 ~2~ISO$SN1204162NA$$16 ~434 ~SNGA ~Y ~12 ~5701020 2 AS10 SC10 
  SNGA 190608 19.056.350.805.16~19.05~90~0.00~0.104.500.050.208~P ~ ~S ~71DD68D829217 ~Ceramic ~AB30 ~2~ISO$SN1906082NA$$08 ~642 ~SNGA ~Y ~19 ~5700541 1 AB30 
  SNGA 190612 19.056.351.205.16~19.05~90~0.00~0.104.500.050.258~P ~ ~S ~71DD68D829217 ~Ceramic ~AB30 ~2~ISO$SN1906122NA$$12 ~643 ~SNGA ~Y ~19 ~5700542 1 AB30 
T2: Land 0.10 x 30°


Site Map

Turning  Parting & Grooving  Thread Making  Hole Making  Reaming  Milling & Solid End mills  Tooling System  Boring System 

Any use of the Taegutec E-catalogue and any transactions which may be performed as a result of using this program are subject to Terms of Use and Legal Disclaimer   Privacy Statement
© 2026 TaeguTec LTD. Manufacturer of Metalworking Tools (TaeguTec.com) All Rights Reserved