TaeguTec Cutting Tools - Metal Working Tools - Turning - - SNGA-CBN
× Login Information
Turning
Main Application
  
SNGA-CBN : Negative Square inserts with CBN tips for finishing of hardened steel and cast iron
 
 
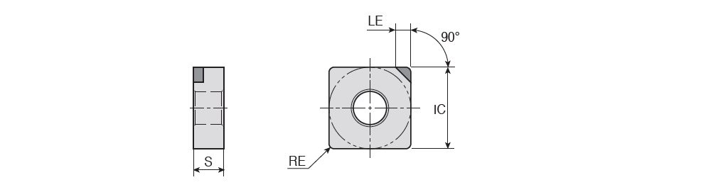
  DesignationLE IC S RE alpha AN ap
(min)
ap
(max)
ft
(min)
ft
(max)
CEDC Precise Utility l SC ClssID COATP GRDMFG IFS IIC INSI INST ISO STD SSC  GICATGIREMgiicGICODETough ‹————› Hard
Grade & Vc     Click on grade for cutting speed value
  SNGA 120404 LS2 2.5012.704.760.4090~0.00~0.100.500.050.302~ ~U ~12.70~S ~71DD68D829217 ~CBN ~TB670 ~2~ISO$SN1204042NA$$04 ~431 LS ~SNGA ~Y ~12 ~5403154 2 TB730 TB670 
  SNGA 120408 LS2 2.5012.704.760.8090~0.00~0.100.500.050.302~ ~U ~12.70~S ~71DD68D829217 ~CBN ~TB670 ~2~ISO$SN1204082NA$$08 ~432 LS ~SNGA ~Y ~12 ~6210537 2 TB7015 TB670 
  SNGA 120408 LS4 2.5012.704.760.8090~0.00~0.100.500.050.304~ ~U ~12.70~S ~71DD68D829217 ~CBN ~TB670 ~2~ISO$SN1204082NA$$08 ~432 LS ~SNGA ~Y ~12 ~5403074 1 TB670 
  SNGA 120408 LS8 2.7012.704.760.8090~0.00~0.100.500.050.308~ ~U ~12.70~S ~71DD68D829217 ~CBN ~TB670 ~2~ISO$SN1204082NA$$08 ~432 LS ~SNGA ~Y ~12 ~5403075 1 TB670 
  SNGA 120408 LN 4.2012.704.760.8090~0.00~0.100.500.050.301~ ~U ~12.70~S ~71DD68D829217 ~CBN ~TB650 ~2~ISO$SN1204082NA$$08 ~432 LN ~SNGA ~Y ~ ~6210536 2 TB7015 TB650 
LN: Regular size CBN tip , LS: Small size CBN tip
LS2: Small size CBN tip with two corners
LS4/LS8: Small size CBN tip with four/eight corners


Site Map

Turning  Parting & Grooving  Thread Making  Hole Making  Reaming  Milling & Solid End mills  Tooling System  Boring System 

Any use of the Taegutec E-catalogue and any transactions which may be performed as a result of using this program are subject to Terms of Use and Legal Disclaimer   Privacy Statement
© 2026 TaeguTec LTD. Manufacturer of Metalworking Tools (TaeguTec.com) All Rights Reserved