TaeguTec Cutting Tools - Metal Working Tools - Turning - - SNMG-CE (Ceramic)
× Login Information
Turning
Main Application
  
SNMG-CE (Ceramic) : Negative Square Ceramic pressed inserts with CE chip former of reinforced T-land for high speed machining of cast irons
 
 
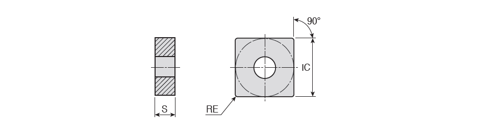
  DesignationIC D1 S RE l CBMD alpha AN ap
(min)
ap
(max)
ft
(min)
ft
(max)
CEDC Precise Utility SC ClssID COATP GRDMFG IFS IIC INSI INST ISO STD SSC  GICATGIREMgiicGICODEGrade & Vc     Click on grade for cutting speed value
  SNMG 120408 CE 12.705.16~4.760.8012.70~CE ~90~0.00~0.103.000.050.208~ ~U ~S ~71DD68D829217 ~Ceramic ~AB30 ~2~ISO$SN1204082NB$$08 ~432 CE ~SNMG ~Y ~12 ~5701515 1 AB30 


Site Map

Turning  Parting & Grooving  Thread Making  Hole Making  Reaming  Milling & Solid End mills  Tooling System  Boring System 

Any use of the Taegutec E-catalogue and any transactions which may be performed as a result of using this program are subject to Terms of Use and Legal Disclaimer   Privacy Statement
© 2026 TaeguTec LTD. Manufacturer of Metalworking Tools (TaeguTec.com) All Rights Reserved