TaeguTec Cutting Tools - Metal Working Tools - Turning - - SNGN-SD (CBN)
× Login Information
Turning
Main Application
  
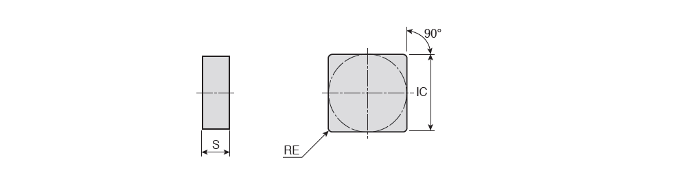
SNGN-SD (CBN) : Negative square solid CBN inserts for high-feed high-depth roughing & high-speed finishing of cast iron
 
 
  DesignationIC S RE alpha AN ap
(min)
ap
(max)
ft
(min)
ft
(max)
CEDC Precise Utility l SC ClssID COATP GRDMFG IFS IIC INSI INST ISO STD SSC  GICATGIREMgiicGICODEGrade & Vc     Click on grade for cutting speed value
  SNGN 090312 SD 9.523.181.2090~0.00~0.103.000.050.308~P ~ ~9.52~S ~71DD68D829217 ~CBN ~TB7020~1~ISO$SN0903121NA$$12 ~23 SD ~SNG ~Y ~9 ~6338820 1 TB7020 
  SNGN 120416 SD 12.704.761.6090~0.00~0.104.000.050.308~P ~ ~12.70~S ~71DD68D829217 ~CBN ~TB7020~1~ISO$SN1204161NA$$16 ~434 SD ~SNG ~Y ~12 ~6177465 1 TB7020 
SD : Solid CBN


Site Map

Turning  Parting & Grooving  Thread Making  Hole Making  Reaming  Milling & Solid End mills  Tooling System  Boring System 

Any use of the Taegutec E-catalogue and any transactions which may be performed as a result of using this program are subject to Terms of Use and Legal Disclaimer   Privacy Statement
© 2026 TaeguTec LTD. Manufacturer of Metalworking Tools (TaeguTec.com) All Rights Reserved