TaeguTec Cutting Tools - Metal Working Tools - Turning - - CNGA-WZ-CBN
× Login Information
Turning
Main Application
  
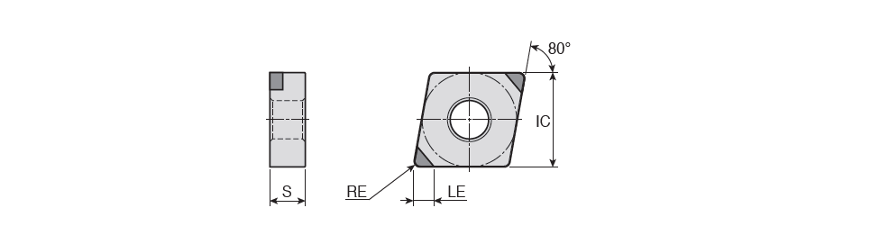
CNGA-WZ-CBN : Negative 80° Rhombic inserts with CBN tips for finishing of hardened steels and cast irons
 
 
  DesignationLE IC S RE alpha AN ap
(min)
ap
(max)
ft
(min)
ft
(max)
CEDC Precise Utility l SC ClssID COATP GRDMFG IFS IIC INSI INST ISO STD SSC  GICATGIREMgiicGICODETough ‹————› Hard
Grade & Vc     Click on grade for cutting speed value
  CNGA 120404 WZ-LS 2.1012.704.760.4080~0.00~0.100.500.050.301~P ~ ~12.90~C ~71DD68D301C30 ~CBN ~TB650 ~2~ISO$CN1204042NA$$04 ~431 WZ ~CNGA ~Y ~12 ~5401506 1 TB650 
  CNGA 120404 WZ-LS2 2.1012.704.760.4080~0.00~0.100.500.050.302~P ~ ~12.90~C ~71DD68D301C30 ~CBN ~TB610 ~2~ISO$CN1204042NA$$04 ~431 W ~CNGA ~Y ~12 ~5403031 3 TB670 TB650 TB610 
  CNGA 120408 LS-WZ 2.1012.704.760.8080~0.00~0.100.500.050.301~P ~ ~12.90~C ~71DD68D301C30 ~CBN ~KB50 ~2~ISO$CN1204082NA$$08 ~432 LS ~CNGA ~Y ~12 ~5401507 1 KB50 
  CNGA 120408 WZ-LS2 2.1012.704.760.8080~0.00~0.100.500.050.302~P ~ ~12.90~C ~71DD68D301C30 ~CBN ~TB610 ~2~ISO$CN1204082NA$$08 ~432 WZ ~CNGA ~Y ~12 ~5403126 4 TB730 TB670 TB650 TB610 
  CNGA 120408 WZ-LS4 2.1012.704.760.8080~0.00~0.100.500.050.304~P ~ ~12.90~C ~71DD68D301C30 ~CBN ~TB610 ~2~ISO$CN1204082NA$$08 ~432 WZ ~CNGA ~Y ~12 ~5403034 2 TB670 TB610 
  CNGA 120412 WZ-LS2 2.5012.704.761.2080~0.00~0.100.500.050.302~P ~ ~12.90~C ~71DD68D301C30 ~CBN ~TB650 ~2~ISO$CN1204122NA$$12 ~433 WZ ~CNGA ~Y ~12 ~5403127 3 TB730 TB670 TB650 
  CNGA 120412 WZ-LS4 2.5012.704.761.2080~0.00~0.100.500.050.304~P ~ ~12.90~C ~71DD68D301C30 ~CBN ~TB670 ~2~ISO$CN1204122NA$$12 ~433 WZ ~CNGA ~Y ~12 ~5403036 1 TB670 
WZ-LN/LS/LS2/LS4: Wiper geometry
LN: Regular size CBN tip LS: Small size CBN tip
LS2: Small size CBN tip with two corners
LS4: Small size CBN tip with four corners


Site Map

Turning  Parting & Grooving  Thread Making  Hole Making  Reaming  Milling & Solid End mills  Tooling System  Boring System 

Any use of the Taegutec E-catalogue and any transactions which may be performed as a result of using this program are subject to Terms of Use and Legal Disclaimer   Privacy Statement
© 2026 TaeguTec LTD. Manufacturer of Metalworking Tools (TaeguTec.com) All Rights Reserved