TaeguTec Cutting Tools - Metal Working Tools - Turning - - CNGA-CBN
Select Language
English
Čeština
Nederlands
Türkçe
Русский
한국어
日本語
Home Page
Log In
My Assemblies
Grades Guide
Search Path
New Search
×
Login Information
*
*
Registration
Forgot Your Password?
Home Page
>
Turning
>
>
CNGA-CBN
Turning
Main Application
Related Tool
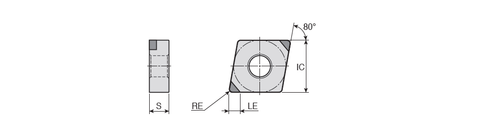
CNGA-CBN :
Negative 80° Rhombic inserts with CBN tips for finishing of hardened steels and cast irons
Designation
IC
S
RE
LE
alpha
AN
ap
(min)
ap
(max)
ft
(min)
ft
(max)
CEDC
Precise
Utility
l
SC
ClssID
COATP
GRDMFG
IFS
IIC
INSI
INST
ISO STD
SSC
GICAT
GIREM
giic
GICODE
Tough
‹————›
Hard
Grade & Vc
Click on grade for cutting speed value
CNGA 120404 LN
12.70
4.76
0.40
4.20
80~
0.00~
0.10
0.50
0.05
0.30
1~
~
U ~
12.90~
C ~
71DD68D301C30 ~
CBN ~
TB650 ~
2~
ISO$CN1204042NA$$04 ~
431 LN ~
CNGA ~
Y ~
12 ~
6210509
3
TB7015
TB670
TB650
CNGA 120404 LS2
12.70
4.76
0.40
2.20
80~
0.00~
0.10
0.50
0.05
0.30
2~
~
U ~
12.90~
C ~
71DD68D301C30 ~
CBN ~
TB610 ~
2~
ISO$CN1204042NA$$04 ~
431 LS ~
CNGA ~
Y ~
12 ~
5403129
4
TB730
TB670
TB650
TB610
CNGA 120404 LS2-SL
12.70
4.76
0.40
0.00
80~
0.00~
0.10
0.50
0.05
0.30
2~
~
U ~
12.90~
C ~
71DD68D301C30 ~
CBN ~
TB2210~
2~
ISO$CN1204042NA$$04 ~
431 LS ~
CNGA ~
Y ~
12 ~
6269262
2
TB2210
TB2215
CNGA 120404 LS2-SM
12.70
4.76
0.40
2.70
80~
0.00~
0.10
0.50
0.05
0.30
2~
~
U ~
12.90~
C ~
71DD68D301C30 ~
CBN ~
TB2210~
2~
ISO$CN1204042NA$$04 ~
431 LS ~
CNGA ~
Y ~
12 ~
6309289
3
TB2210
TB630
TB2215
CNGA 120404 LS4
12.70
4.76
0.40
2.20
80~
0.00~
0.10
0.50
0.05
0.30
4~
~
U ~
12.90~
C ~
71DD68D301C30 ~
CBN ~
TB650 ~
2~
ISO$CN1204042NA$$04 ~
431 LS ~
CNGA ~
Y ~
12 ~
5403039
2
TB670
TB650
CNGA 120408 LN
12.70
4.76
0.80
4.00
80~
0.00~
0.10
0.50
0.05
0.30
1~
~
U ~
12.90~
C ~
71DD68D301C30 ~
CBN ~
TB650 ~
2~
ISO$CN1204082NA$$08 ~
432 LN ~
CNGA ~
Y ~
12 ~
6210511
3
TB7015
TB730
TB650
CNGA 120408 LN4
12.70
4.76
0.80
4.00
80~
0.00~
0.10
0.50
0.05
0.30
4~
~
U ~
12.90~
C ~
71DD68D301C30 ~
CBN ~
TB650 ~
2~
ISO$CN1204082NA$$08 ~
432 LN ~
CNGA ~
Y ~
12 ~
5403513
1
TB650
CNGA 120408 LS
12.70
4.76
0.80
2.10
80~
0.00~
0.10
0.50
0.05
0.30
1~
~
U ~
12.90~
C ~
71DD68D301C30 ~
CBN ~
TB7015~
2~
ISO$CN1204082NA$$08 ~
432 LS ~
CNGA ~
Y ~
12 ~
6210512
1
TB7015
CNGA 120408 LS2
12.70
4.76
0.80
2.10
80~
0.00~
0.10
0.50
0.05
0.30
2~
~
U ~
12.90~
C ~
71DD68D301C30 ~
CBN ~
TB610 ~
2~
ISO$CN1204082NA$$08 ~
432 LS ~
CNGA ~
Y ~
12 ~
6210513
5
TB7015
TB730
TB670
TB650
TB610
CNGA 120408 LS2-SH
12.70
4.76
0.80
2.90
80~
0.00~
0.10
0.50
0.05
0.30
2~
~
U ~
12.90~
C ~
71DD68D301C30 ~
CBN ~
TB2010~
2~
ISO$CN1204082NA$$08 ~
432 LS ~
CNGA ~
Y ~
12 ~
6269266
3
TB2010
TB2225
TB610
CNGA 120408 LS2-SL
12.70
4.76
0.80
0.00
80~
0.00~
0.10
0.50
0.05
0.30
2~
~
U ~
12.90~
C ~
71DD68D301C30 ~
CBN ~
TB2225~
2~
ISO$CN1204082NA$$08 ~
432 LS ~
CNGA ~
Y ~
12 ~
6269264
3
TB630
TB2225
TB610
CNGA 120408 LS2-SL TB2210
12.70
4.76
0.80
0.00
80~
0.00~
0.10
0.50
0.05
0.30
2~
~
U ~
12.90~
C ~
71DD68D301C30 ~
CBN ~
TB2010~
2~
ISO$CN1204082NA$$08 ~
432 LS ~
CNGA ~
Y ~
12 ~
6269263
1
TB2010
CNGA 120408 LS2-SM
12.70
4.76
0.80
2.70
80~
0.00~
0.10
0.50
0.05
0.30
2~
~
U ~
12.90~
C ~
71DD68D301C30 ~
CBN ~
TB2010~
2~
ISO$CN1204082NA$$08 ~
432 LS ~
CNGA ~
Y ~
12 ~
6309290
5
TB630
TB2010
TB2225
TB2215
TB610
CNGA 120408 LS4
12.70
4.76
0.80
2.10
80~
0.00~
0.10
0.50
0.05
0.30
4~
~
U ~
12.90~
C ~
71DD68D301C30 ~
CBN ~
TB650 ~
2~
ISO$CN1204082NA$$08 ~
432 LS ~
CNGA ~
Y ~
12 ~
6210514
4
TB7015
TB730
TB670
TB650
CNGA 120412 LN
12.70
4.76
1.20
3.90
80~
0.00~
0.10
0.50
0.05
0.30
1~
~
U ~
12.90~
C ~
71DD68D301C30 ~
CBN ~
TB7015~
2~
ISO$CN1204122NA$$12 ~
433 LN ~
CNGA ~
Y ~
12 ~
6210516
1
TB7015
CNGA 120412 LS2
12.70
4.76
1.20
2.50
80~
0.00~
0.10
0.50
0.05
0.30
2~
~
U ~
12.90~
C ~
71DD68D301C30 ~
CBN ~
TB650 ~
2~
ISO$CN1204122NA$$12 ~
433 LS ~
CNGA ~
Y ~
12 ~
6210517
3
TB7015
TB730
TB650
CNGA 120412 LS2-SH
12.70
4.76
1.20
2.70
80~
0.00~
0.10
0.50
0.05
0.30
2~
~
U ~
12.90~
C ~
71DD68D301C30 ~
CBN ~
TB2215~
2~
ISO$CN1204122NA$$12 ~
433 LS ~
CNGA ~
Y ~
12 ~
6304822
3
TB2215
TB630
TB610
CNGA 120412 LS2-SL
12.70
4.76
1.20
0.00
80~
0.00~
0.10
0.50
0.05
0.30
2~
~
U ~
12.90~
C ~
71DD68D301C30 ~
CBN ~
TB2010~
2~
ISO$CN1204122NA$$12 ~
433 LS ~
CNGA ~
Y ~
12 ~
6269270
6
TB2010
TB630
TB2210
TB2215
TB2225
TB610
CNGA 120412 LS2-SM
12.70
4.76
1.20
0.00
80~
0.00~
0.10
0.50
0.05
0.30
2~
~
U ~
12.90~
C ~
71DD68D301C30 ~
CBN ~
TB2010~
2~
ISO$CN1204122NA$$12 ~
433 LS ~
CNGA ~
Y ~
12 ~
6269271
4
TB2010
TB630
TB2210
TB2225
CNGA 120412 LS4
12.70
4.76
1.20
2.50
80~
0.00~
0.10
0.50
0.05
0.30
4~
~
U ~
12.90~
C ~
71DD68D301C30 ~
CBN ~
TB670 ~
2~
ISO$CN1204122NA$$12 ~
433 LS ~
CNGA ~
Y ~
12 ~
5403045
1
TB670
LN: Regular size CBN tip,LS: Small size CBN tip
LS2: Small size CBN tip with two corners
LS4: Small size CBN tip with four corners