TaeguTec Cutting Tools - Metal Working Tools - Turning - - CNMG-CE (Ceramic)
× Login Information
Turning
Main Application
  
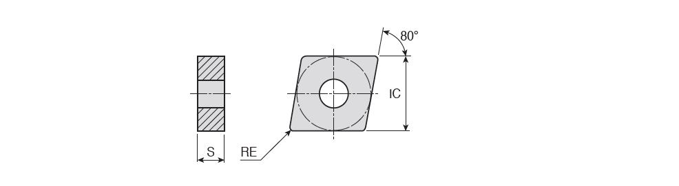
CNMG-CE (Ceramic) : Negative 80° Rhombic Ceramic pressed inserts of CE chip former with reinforced T-land for cast irons & hardened steels machining
 
 
  DesignationIC S RE D1 l CBMD alpha AN ap
(min)
ap
(max)
ft
(min)
ft
(max)
CEDC Precise Utility SC ClssID COATP GRDMFG IFS IIC INSI INST ISO STD SSC  GICATGIREMgiicGICODETough ‹————› Hard
Grade & Vc     Click on grade for cutting speed value
  CNMG 120404 CE 12.704.760.405.16~12.90~CE ~80~0.00~0.103.000.050.154~ ~U ~C ~71DD68D301C30 ~Ceramic ~AB30 ~2~ISO$CN1204042NB$$04 ~431 CE ~CNMG ~Y ~12 ~5700349 1 AB30 
  CNMG 120408 CE 12.704.760.805.16~12.90~CE ~80~0.00~0.103.000.050.204~ ~U ~C ~71DD68D301C30 ~Ceramic ~AB20 ~2~ISO$CN1204082NB$$08 ~432 CE ~CNMG ~Y ~12 ~5701403 2 AB30 AB20 


Site Map

Turning  Parting & Grooving  Thread Making  Hole Making  Reaming  Milling & Solid End mills  Tooling System  Boring System 

Any use of the Taegutec E-catalogue and any transactions which may be performed as a result of using this program are subject to Terms of Use and Legal Disclaimer   Privacy Statement
© 2026 TaeguTec LTD. Manufacturer of Metalworking Tools (TaeguTec.com) All Rights Reserved