TaeguTec Cutting Tools - Metal Working Tools - Milling & Solid End mills - - RYMX 08/10/12-MLL
× Login Information
  
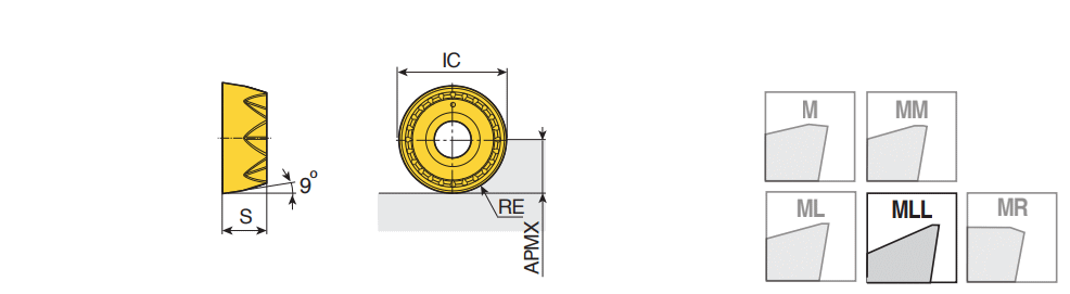
RYMX 08/10/12-MLL : Positive strong round inserts with sharp geometry than ML for stainless steels and difficult-to-cut materials
 
 
  DesignationRE IC S APMX S1 Insert ap
(min)
ap
(max)
fz
(max)
fz
(min)
SF SC ClssID CEDC ESP CB GRDMFG Pocket WEP GICATGIREMgiicGICODETough ‹————› Hard
Grade & Vc     Click on grade for cutting speed value
  RYMX 1004-MLL 5.0010.004.005.0010.00~CM-RY10 ~1.504.000.3000.050M8 ~R ~71D1AA6635E76 ~8~U35 ~MLL ~TT3520~RYM(H)X 10 ~0~6252138 3 TT9540 TT3520 TT3535 


Site Map

Turning  Parting & Grooving  Thread Making  Hole Making  Reaming  Milling & Solid End mills  Tooling System  Boring System 

Any use of the Taegutec E-catalogue and any transactions which may be performed as a result of using this program are subject to Terms of Use and Legal Disclaimer   Privacy Statement
© 2026 TaeguTec LTD. Manufacturer of Metalworking Tools (TaeguTec.com) All Rights Reserved