TaeguTec Cutting Tools - Metal Working Tools - Turning - - CCGW-PCD
× Login Information
Turning
Main Application
  
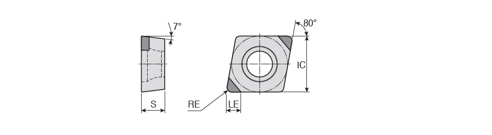
CCGW-PCD : Positive 80° Rhombic inserts with single PCD tip of positive rake angle for finishing of non-ferrous metal & aluminum
 
 
  DesignationLE IC S RE alpha AN ap
(min)
ap
(max)
ft
(min)
ft
(max)
CEDC Precise Utility l SC ClssID COATP GRDMFG IFS IIC INSI INST ISO STD SSC  GICATGIREMgiicGICODETough ‹————› Hard
Grade & Vc     Click on grade for cutting speed value
  CCGW 060202 LN-7 3.106.352.380.2080~7.00~0.080.300.050.301~P ~ ~6.30~C ~71DD68D301C30 ~PCD ~TD1010~3~ISO$CC0602023NA$$02 ~21.50. ~CCGW ~Y ~6 ~6308134 3 TD1030 TD1010 TD1020 
  CCGW 060204 LN-7 3.106.352.380.4080~7.00~0.080.300.050.301~P ~ ~6.30~C ~71DD68D301C30 ~PCD ~KP300 ~3~ISO$CC0602043NA$$04 ~21.51 ~CCGW ~Y ~6 ~6308135 4 TD1030 TD1010 KP300 TD1020 
  CCGW 09T308 LN-7 3.909.523.970.8080~7.00~0.103.000.050.301~P ~ ~9.70~C ~71DD68D301C30 ~PCD ~TD1010~3~ISO$CC09T3083NA$$08 ~32.52 ~CCGW ~Y ~9 ~6308140 2 TD1010 TD1020 
  CCGW 120408 LN-7 3.9012.704.760.8080~7.00~0.103.000.050.301~P ~ ~12.90~C ~71DD68D301C30 ~PCD ~KP300 ~3~ISO$CC1204083NA$$08 ~432 LN ~CCGW ~Y ~12 ~6308143 4 TD810 TD1010 KP300 TD1020 
  CCGW 09T304 LN-7 4.009.523.970.4080~7.00~0.100.300.050.301~P ~ ~9.70~C ~71DD68D301C30 ~PCD ~TD1010~3~ISO$CC09T3043NA$$04 ~32.51 ~CCGW ~Y ~9 ~6308138 4 TD1030 TD810 TD1010 TD1020 
  CCGW 120404 LN-7 4.0012.704.760.4080~7.00~0.103.000.050.301~P ~ ~12.90~C ~71DD68D301C30 ~PCD ~TD1010~3~ISO$CC1204043NA$$04 ~431 LN ~CCGW ~Y ~12 ~6308141 3 TD1030 TD1010 TD1020 


Site Map

Turning  Parting & Grooving  Thread Making  Hole Making  Reaming  Milling & Solid End mills  Tooling System  Boring System 

Any use of the Taegutec E-catalogue and any transactions which may be performed as a result of using this program are subject to Terms of Use and Legal Disclaimer   Privacy Statement
© 2026 TaeguTec LTD. Manufacturer of Metalworking Tools (TaeguTec.com) All Rights Reserved