TaeguTec Cutting Tools - Metal Working Tools - Turning - - CNGA-PCD
× Login Information
Turning
Main Application
  
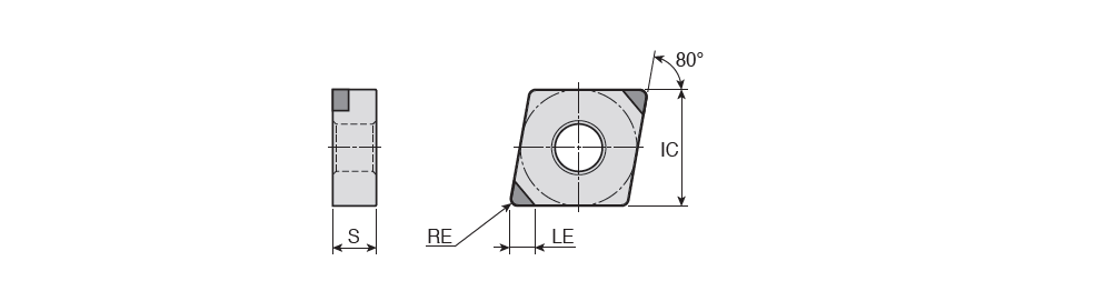
CNGA-PCD : Negative 80° Rhombic inserts with single PCD tip of positive rake angle for finishing of aluminum & non-ferrous metals
 
 
  DesignationIC S RE LE alpha AN ap
(min)
ap
(max)
ft
(min)
ft
(max)
CEDC Precise Utility l SC ClssID COATP GRDMFG IFS IIC INSI INST ISO STD SSC  GICATGIREMgiicGICODEGrade & Vc     Click on grade for cutting speed value
  CNGA 120404 LN-10 12.704.760.404.0080~0.00~0.103.000.050.251~ ~U ~12.90~C ~71DD68D301C30 ~PCD ~TD1020~2~ISO$CN1204042NA$$04 ~431 LN ~CNGA ~Y ~12 ~6308144 1 TD1020 
  CNGA 120408 LN-10 12.704.760.803.9080~0.00~0.103.000.050.251~ ~U ~12.90~C ~71DD68D301C30 ~PCD ~TD1020~2~ISO$CN1204082NA$$08 ~432 LN ~CNGA ~Y ~12 ~6308146 1 TD1020 
  CNGA 120412 LN-10 12.704.761.203.8080~0.00~0.103.000.050.251~ ~U ~12.90~C ~71DD68D301C30 ~PCD ~TD1020~2~ISO$CN1204122NA$$12 ~433 LN ~CNGA ~Y ~12 ~6264356 1 TD1020 


Site Map

Turning  Parting & Grooving  Thread Making  Hole Making  Reaming  Milling & Solid End mills  Tooling System  Boring System 

Any use of the Taegutec E-catalogue and any transactions which may be performed as a result of using this program are subject to Terms of Use and Legal Disclaimer   Privacy Statement
© 2026 TaeguTec LTD. Manufacturer of Metalworking Tools (TaeguTec.com) All Rights Reserved